I/V、F/V转换实验--传感器实验
发布时间:2017-06-27 点击次数:次
一、实验目的
了解I/V、F/V信号转换的原理与应用。
二、实验仪器
信号转换实验模块、转动源
三、实验原理
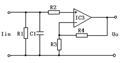
在控制系统及测量设备中,对电流信号进行数字测量时,首先需将电流转换成电压,然后由数字电压表进行测量。有些传感器直接输出是脉冲信号,为了转化成国际电工委员会(IEC)使用的统一标准信号,需要对传感器输出的脉冲信号进行频率-电压转换。
下图为用运放构成的I/V转换电路,转换范围为0~20mA和0~10V。

图60-1 I/V转换原理图
F/V常用集成转换器件如LM331,其外部接线如下图,最高脉冲频率转换可到10kHz。

图60-2 F/V转换原理图
四、实验内容与步骤
1、打开实验台电源,将±15V直流稳压电源接入信号转换模块。
2、在I/V转换的输入端输入0~20mA,用直流电压表测量输出的电压值,每隔2mA记录一次实验数据。
3、调节转动源转速,将光电传感器输出的脉冲信号接到F/V转换的输入端,用频率/转速表的频率档测量脉冲信号频率,直流电压表测量输出的电压值,每隔20Hz记录一次实验数据。
五、实验报告
1.根据实验所的的数据做I/V转换、F/V转换曲线,并计算其非线形误差。
了解I/V、F/V信号转换的原理与应用。
二、实验仪器
信号转换实验模块、转动源
三、实验原理
在控制系统及测量设备中,对电流信号进行数字测量时,首先需将电流转换成电压,然后由数字电压表进行测量。有些传感器直接输出是脉冲信号,为了转化成国际电工委员会(IEC)使用的统一标准信号,需要对传感器输出的脉冲信号进行频率-电压转换。
下图为用运放构成的I/V转换电路,转换范围为0~20mA和0~10V。

图60-1 I/V转换原理图
F/V常用集成转换器件如LM331,其外部接线如下图,最高脉冲频率转换可到10kHz。

图60-2 F/V转换原理图
四、实验内容与步骤
1、打开实验台电源,将±15V直流稳压电源接入信号转换模块。
2、在I/V转换的输入端输入0~20mA,用直流电压表测量输出的电压值,每隔2mA记录一次实验数据。
3、调节转动源转速,将光电传感器输出的脉冲信号接到F/V转换的输入端,用频率/转速表的频率档测量脉冲信号频率,直流电压表测量输出的电压值,每隔20Hz记录一次实验数据。
五、实验报告
1.根据实验所的的数据做I/V转换、F/V转换曲线,并计算其非线形误差。


